
But what makes WDM so important, and how does it actually work?
Let’s break it down.
Instead of sending data using just one wavelength of light, WDM allows multiple data streams, each on a different wavelength (color), to travel through the same single optical fiber, simultaneously and without interference.
Instead of laying thousands of new fibers, telecom companies upgrade bandwidth by adding more wavelengths.
With optical amplifiers (like EDFA), WDM supports transmission across hundreds of kilometers without needing conversion to electrical signals.
Need more bandwidth?
Just add another wavelength instead of redesigning the entire system.
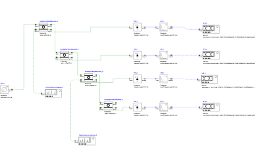
Below is an intuitive explanation of the key elements inside a WDM link.
Each laser emits a unique wavelength (λ1, λ2, λ3…).
Raw laser light carries no data.
A modulator imprints information onto each wavelength.
Optical signals weaken over long distances.
Opposite of MUX.
Convert optical pulses back to electrical signals.
The Optical Spectrum Analyzer (OSA) displays four separate peaks, each corresponding to one modulated laser source.
Why this happens
This spectrum proves that multiplexing is successful.
At each receiver, the demultiplexed signal is observed using an Eye Diagram Analyzer.
Wavelength Division Multiplexing stands as the unseen powerhouse behind today’s high-speed, always-connected digital world. By allowing multiple wavelengths to travel through a single fiber, WDM delivers massive capacity, long-distance reliability, and effortless scalability—making it indispensable for data centers, cloud systems, AI workloads, and the expanding 5G/6G ecosystem. As our global demand for bandwidth continues to surge, WDM will remain the foundation that keeps our networks fast, efficient, and future-ready.
Suggested keywords: Wavelength Division Multiplexing, WDM technology, Optical communication, Fiber optic networks, Optical multiplexing